Предназначены для присоединения алюминиевых проводников к медным шинам, проводам и кабелям с целью исключения гальванического эффекта, получаемого при прямом сопряжении меди и алюминия в процессе монтажа и подключения силовых нагрузок.
Надежность контактного соединения путем опрессовки наконечника специальным инструментом.
Обеспечивают возможность присоединения алюминиевых проводников к медным шинам, проводам и кабелям с целью исключения гальванического эффекта, получаемого при прямом сопряжении меди и алюминия в процессе монтажа и подключения силовых нагрузок.
Технические характеристики:
- Производитель: ИЕК
- Материал: Алюминий / Медь
- Стандартное номин поперечное сечение: 240 мм²
- Форма поперечного сечения: Многопроволочная круглая/секторная жила
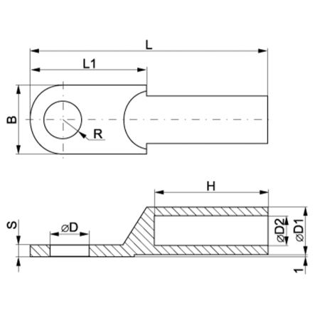
- Диаметр монтажного отверстия: 17.0 мм
- Диаметр отверстия под проводник: 21.0 мм
- Номин напряжение: 10000 В
- Общ длина: 50.0 мм
- Температура эксплуатации: - 40...+ 80 °C
- Поперечное сечение - алюминий: 240.0 мм²



















































