Наконечники SC предназначены для оконцевания жил медных и алюминиевых проводов и кабелей опрессовкой или пайкой, с последующей фиксацией в клеммных колодках и нулевых шинах. Сечения бывают от 1,5 мм2 до 300 мм2. Изготовлены из медной трубки с высоким содержанием меди (99.9%), покрыты оловом. Рабочие температуры: -55 до +150 С.
Быстрота и удобство, которые они обеспечивают при монтаже кабелей соединений, давно и по достоинству оценены специалистами самых различных отраслей промышленности и строительства. Широкому распространению в монтажной практике технологий и инструмента для опрессовывания также способствовала все возрастающая стандартизация наконечников.
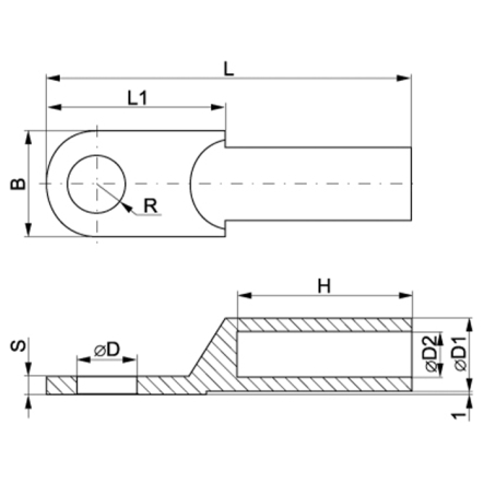
Технические характеристики:
- Производитель: АСКО-УКРЕМ
- Тип: Наконечник силовой
- Исполнение: под пайку
- Сечение, мм2: 95
- Материал: медь
- Покрытие: лужение
- Изоляция: нет
- Болт, М: M10
- Диаметр, мм: 25
- Длина, мм: 55



















































