УБЗ-302 предназначен для постоянного контроля параметров работы трехфазного электрооборудования (в первую очередь 3-х фазных асинхронных электродвигателей
УБЗ-302-01 универсальный блок защиты асинхронных электродвигателей предназначен для защиты двухскоростных (двухобмоточных) двигателей, постоянного контроля параметров сетевого напряжения, действующих значений фазных/линейных токов, и проверки значения сопротивления изоляции электродвигателей.
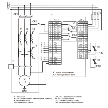
Универсальный блок защиты электродвигателей УБЗ-302 (далее по тексту УБЗ) предназначен для постоянного контроля параметров сетевого напряжения, действующих значений фазных/линейных токов трехфазного электрооборудования 380В, 50 Гц и проверки значения сопротивления изоляции электродвигателей.
УБЗ обеспечивает защиту асинхронных электродвигателей, мощностью от 2,5 кВт до 30 кВт при использовании встроенных токовых трансформаторов и до 315кВт при использовании внешних токовых трансформаторов, в том числе и в сетях с изолированной нейтралью.
УБЗ обеспечивает защиту электродвигателей при:
- некачественном сетевом напряжении (недопустимые скачки напряжения, обрыв фаз, нарушение чередования и слипание фаз, перекос фазных/линейных напряжений);
- механических перегрузках (симметричный перегруз по фазным/линейным токам);
- превышении порога тока обратной последовательности:
- несимметрии фазных токов без перегруза, связанных с нарушением изоляции внутри двигателя и/или подводящего кабеля (сравнение коэффициента несимметрии тока по обратной последовательности с коэффициентом несимметрии напряжения по обратной последовательности);
- исчезновении момента на валу электродвигателя («сухой ход» - для насосов) – защита по минимальному пусковому и/или рабочему току;
- затянутом пуске двигателя или блокировке ротора;
- недопустимо низком уровне изоляции между статором и корпусом двигателя (проверка перед включением);
- замыкании на «землю» обмотки статора во время работы – защита по токам утечки на «землю»;
- тепловой перегрузке двигателя;
- перегреве обмоток (определяется температура обмоток при использовании встроенных в двигатель температурных датчиков или температура корпуса при использовании внешних температурных датчиков).
По каждому типу защиты возможно запрещение и разрешение автоматического повторного включения (далее по тексту АПВ) нагрузки.
Блок обеспечивает защиту электрооборудования путем управления катушкой магнитного пускателя (контактора).
Блок определяет наличие токов двигателя при отключенном реле нагрузки (при отключенном реле нагрузки и функциональном реле в режиме звезда-треугольник). В этом случае блок индицирует аварию внешнего контактора, включающего двигатель, до тех пор, пока блок не будет выключен.
Связь
- управление и передача параметров по интерфейсу RS-485 в соответствии с протоколом MODBUS,
- управление и передача параметров по интерфейсу RS-232.
П р и м е ч а н и е - Одновременное использование RS-485 и RS-232 невозможно.
Параметры Значения
Номинальное напряжение питания: трехфазное 380В, 50 Гц
Частота сети, Гц 48-62
Диапазон номинальных токов, А 5-50
Диапазон номинальных токов (при работе от встроенных трансформаторов тока), А 5-63
Гистерезис по напряжению (фазное/линейное), В 10/17
Гистерезис по теплу, % от накопленного при отключении 33
Точность определения порога срабатывания по току, в % от номинального, не более 2
Точность определения порогов по напряжению, В, не хуже 3
Точность определения перекоса фаз по напряжению, В, не хуже 3
Напряжение, при котором сохраняется работоспособность:
- фазное, при питании от одной фазы и подключенном нулевом проводе не менее, В 180
-линейное, при питании от трех фаз не более, В 450
Аналоговые входы
- два аналоговых входа для подключения датчиков температуры (типы Pt100, Ni100,Ni120)
- аналоговый вход для подключения датчика с выходом 0-10В
- аналоговый вход для подключения датчика с выходом 4мА(0мА) - 20мА
- три аналоговых входа для стандартных ТТ с выходом 5 А (тип Т-0.66 или аналогичный)
- вход для подключения дифференциального токового трансформатора (трансформатора нулевой последовательности)
Основные выходы
- реле нагрузки - две группы перекидных контактов для управления пускателем электродвигателя - 5А 250В при cos ?=1;
- функциональное реле - одна группа перекидных контактов - 16А, 250В при cos ?=1 (назначение реле задается пользователем);
Разрешение по температуре температурных датчиков, °С. 1
Потребляемая мощность (под нагрузкой), ВА, не более 5
Степень защиты: прибора/ клеммника IP40/IP20
Диапазон рабочих температур, °С от -35 до +55
Температура хранения, °С от -45 до +70
Масса, кг, не более 0,5
Габаритные размеры девять модулей типа S
Виды защит
УБЗ-302 выполняет следующие виды защит электродвигателей:
-максимальная токовая в фазах;
-от замыканий на землю (по току нулевой последовательности):
-по току обратной последовательности;
- по превышению кратности коэффициента обратной последовательности по току к коэффициенту обратной последовательности по напряжению;
-по тепловой перегрузке;
-минимальная токовая в фазах;
-затянутый пуск (блокировка ротора);
-от перегрева обмоток;
-по минимальному линейному напряжению;
-по максимальному линейному напряжению;
-по перекосу линейных напряжений (обратной последовательности по напряжению);
-по нарушению порядка чередования фаз;
-по минимальному сопротивлению изоляции обмоток двигателя.
УБЗ-302 имеет пять режимов управления:
-блокирования клавиатуры;
-минимального количества установочных параметров (далее в тексте РМКУП);
-уровня пользователя;
-уровня наладчика;
- дистанционного управления.
Во всех режимах работы возможен:
- просмотр измеряемых и отображаемых параметров. Листание параметров выполняется кнопками ВНИЗ и ВВЕРХ; - просмотр журнала аварий
УБЗ-302-01 универсальный блок защиты асинхронных электродвигателей предназначен для защиты двухскоростных (двухобмоточных) двигателей, постоянного контроля параметров сетевого напряжения, действующих значений фазных/линейных токов, и проверки значения сопротивления изоляции электродвигателей.
Универсальный блок защиты электродвигателей УБЗ-302 (далее по тексту УБЗ) предназначен для постоянного контроля параметров сетевого напряжения, действующих значений фазных/линейных токов трехфазного электрооборудования 380В, 50 Гц и проверки значения сопротивления изоляции электродвигателей.
УБЗ обеспечивает защиту асинхронных электродвигателей, мощностью от 2,5 кВт до 30 кВт при использовании встроенных токовых трансформаторов и до 315кВт при использовании внешних токовых трансформаторов, в том числе и в сетях с изолированной нейтралью.
УБЗ обеспечивает защиту электродвигателей при:
- некачественном сетевом напряжении (недопустимые скачки напряжения, обрыв фаз, нарушение чередования и слипание фаз, перекос фазных/линейных напряжений);
- механических перегрузках (симметричный перегруз по фазным/линейным токам);
- превышении порога тока обратной последовательности:
- несимметрии фазных токов без перегруза, связанных с нарушением изоляции внутри двигателя и/или подводящего кабеля (сравнение коэффициента несимметрии тока по обратной последовательности с коэффициентом несимметрии напряжения по обратной последовательности);
- исчезновении момента на валу электродвигателя («сухой ход» - для насосов) – защита по минимальному пусковому и/или рабочему току;
- затянутом пуске двигателя или блокировке ротора;
- недопустимо низком уровне изоляции между статором и корпусом двигателя (проверка перед включением);
- замыкании на «землю» обмотки статора во время работы – защита по токам утечки на «землю»;
- тепловой перегрузке двигателя;
- перегреве обмоток (определяется температура обмоток при использовании встроенных в двигатель температурных датчиков или температура корпуса при использовании внешних температурных датчиков).
По каждому типу защиты возможно запрещение и разрешение автоматического повторного включения (далее по тексту АПВ) нагрузки.
Блок обеспечивает защиту электрооборудования путем управления катушкой магнитного пускателя (контактора).
Блок определяет наличие токов двигателя при отключенном реле нагрузки (при отключенном реле нагрузки и функциональном реле в режиме звезда-треугольник). В этом случае блок индицирует аварию внешнего контактора, включающего двигатель, до тех пор, пока блок не будет выключен.
Связь
- управление и передача параметров по интерфейсу RS-485 в соответствии с протоколом MODBUS,
- управление и передача параметров по интерфейсу RS-232.
П р и м е ч а н и е - Одновременное использование RS-485 и RS-232 невозможно.
Параметры Значения
Номинальное напряжение питания: трехфазное 380В, 50 Гц
Частота сети, Гц 48-62
Диапазон номинальных токов, А 5-50
Диапазон номинальных токов (при работе от встроенных трансформаторов тока), А 5-63
Гистерезис по напряжению (фазное/линейное), В 10/17
Гистерезис по теплу, % от накопленного при отключении 33
Точность определения порога срабатывания по току, в % от номинального, не более 2
Точность определения порогов по напряжению, В, не хуже 3
Точность определения перекоса фаз по напряжению, В, не хуже 3
Напряжение, при котором сохраняется работоспособность:
- фазное, при питании от одной фазы и подключенном нулевом проводе не менее, В 180
-линейное, при питании от трех фаз не более, В 450
Аналоговые входы
- два аналоговых входа для подключения датчиков температуры (типы Pt100, Ni100,Ni120)
- аналоговый вход для подключения датчика с выходом 0-10В
- аналоговый вход для подключения датчика с выходом 4мА(0мА) - 20мА
- три аналоговых входа для стандартных ТТ с выходом 5 А (тип Т-0.66 или аналогичный)
- вход для подключения дифференциального токового трансформатора (трансформатора нулевой последовательности)
Основные выходы
- реле нагрузки - две группы перекидных контактов для управления пускателем электродвигателя - 5А 250В при cos ?=1;
- функциональное реле - одна группа перекидных контактов - 16А, 250В при cos ?=1 (назначение реле задается пользователем);
Разрешение по температуре температурных датчиков, °С. 1
Потребляемая мощность (под нагрузкой), ВА, не более 5
Степень защиты: прибора/ клеммника IP40/IP20
Диапазон рабочих температур, °С от -35 до +55
Температура хранения, °С от -45 до +70
Масса, кг, не более 0,5
Габаритные размеры девять модулей типа S
Виды защит
УБЗ-302 выполняет следующие виды защит электродвигателей:
-максимальная токовая в фазах;
-от замыканий на землю (по току нулевой последовательности):
-по току обратной последовательности;
- по превышению кратности коэффициента обратной последовательности по току к коэффициенту обратной последовательности по напряжению;
-по тепловой перегрузке;
-минимальная токовая в фазах;
-затянутый пуск (блокировка ротора);
-от перегрева обмоток;
-по минимальному линейному напряжению;
-по максимальному линейному напряжению;
-по перекосу линейных напряжений (обратной последовательности по напряжению);
-по нарушению порядка чередования фаз;
-по минимальному сопротивлению изоляции обмоток двигателя.
УБЗ-302 имеет пять режимов управления:
-блокирования клавиатуры;
-минимального количества установочных параметров (далее в тексте РМКУП);
-уровня пользователя;
-уровня наладчика;
- дистанционного управления.
Во всех режимах работы возможен:
- просмотр измеряемых и отображаемых параметров. Листание параметров выполняется кнопками ВНИЗ и ВВЕРХ; - просмотр журнала аварий































