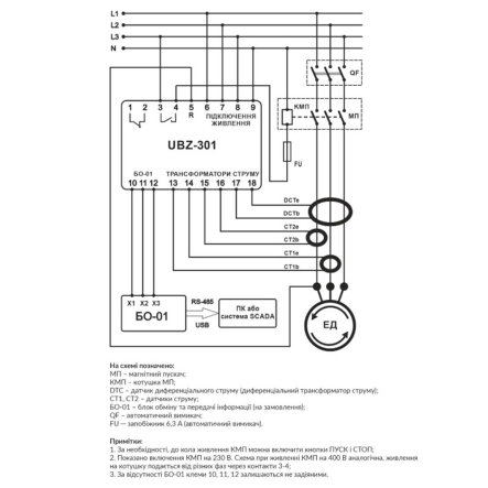
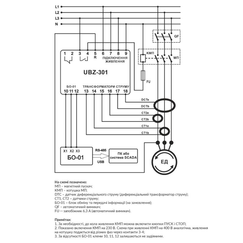
Блок универсальный УБЗ-301 (63-630А) защиты асинхронных электродвигателей.
Предназначен для постоянного контроля параметров сетевого напряжения и действующих значений фазных/линейных тоеов трехфазного электрооборудования 380В/50Гц, в первую очередь асинхронных электродвигателей, в т.ч. и в сетях с изолированной нейтралью. выпускаются тремя модификациями: 5-50А, 10-100А, 63-630А. Осуществляет полную и эффективную защиту электрооборудования путем кратковременного отключения от сети или блокированием его пуска .
Технические характеристики
Блок универсальный УБЗ-301 (63-630А) защиты асинхронных электродвигателей.
Номинальное линейное напряжение, В 380
Частота сети, Гц 45-55
Диап. токов в УБЗ-301 5-50А, А 5-50
Диап. выстав. рабочего тока, в % от ном. ±15
Диап. регул. времени при 2-х кратной перегрузке, сек 10-100
Диап. регул. порога по напряжению, в % от ном. ±5-20
Диап.регул. по перекосу фаз, % 5-20
Диап. регул. порога срабат. по минимальн. току, в % от ном. 0-75
Время первого вкл. нагрузки при Твкл= 0, сек 0-600
Время первого вкл. нагрузки при Твкл= 0, сек 2-3
Время срабатывания по токовому перегрузу По токо-вр. х-ке
Фикс. уставка срабатывания по току утечки, А 1,5
Время срабатывания при авариях по току, кроме перегруза, сек 1,5
Порог контроля сопротивления изоляции, кОм 500±5
Гистерезис по напряжению, В 5-6
Гистерезис по теплу, % от накопленного при отключении 30
Напряжение, при котором сохраняется работоспособность, % от ном 30-150
Предназначен для постоянного контроля параметров сетевого напряжения и действующих значений фазных/линейных тоеов трехфазного электрооборудования 380В/50Гц, в первую очередь асинхронных электродвигателей, в т.ч. и в сетях с изолированной нейтралью. выпускаются тремя модификациями: 5-50А, 10-100А, 63-630А. Осуществляет полную и эффективную защиту электрооборудования путем кратковременного отключения от сети или блокированием его пуска .
Технические характеристики
Блок универсальный УБЗ-301 (63-630А) защиты асинхронных электродвигателей.
Номинальное линейное напряжение, В 380
Частота сети, Гц 45-55
Диап. токов в УБЗ-301 5-50А, А 5-50
Диап. выстав. рабочего тока, в % от ном. ±15
Диап. регул. времени при 2-х кратной перегрузке, сек 10-100
Диап. регул. порога по напряжению, в % от ном. ±5-20
Диап.регул. по перекосу фаз, % 5-20
Диап. регул. порога срабат. по минимальн. току, в % от ном. 0-75
Время первого вкл. нагрузки при Твкл= 0, сек 0-600
Время первого вкл. нагрузки при Твкл= 0, сек 2-3
Время срабатывания по токовому перегрузу По токо-вр. х-ке
Фикс. уставка срабатывания по току утечки, А 1,5
Время срабатывания при авариях по току, кроме перегруза, сек 1,5
Порог контроля сопротивления изоляции, кОм 500±5
Гистерезис по напряжению, В 5-6
Гистерезис по теплу, % от накопленного при отключении 30
Напряжение, при котором сохраняется работоспособность, % от ном 30-150




































